Product Summary
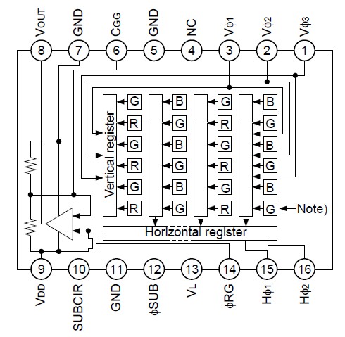
The ICX424AQ is a diagonal 6mm (Type 1/3) interline CCD solid-state image sensor with a square pixel array which supports VGA format. Progressive scan allows all pixels signals to be output independently within approximately 1/60 second. The ICX424AQ features an electronic shutter with variable charge-storage time which makes it possible to realize full-frame still images without a mechanical shutter. High sensitivity and low dark current are achieved through the adoption of the HAD (Hole-Accumulation Diode) sensors. The ICX424AQ is suitable for applications such as FA and surveillance cameras.
Parametrics
ICX424AQ absolute maximum ratings: (1)Substrate clock φSUB – GND: –0.3 to +36 V; (2)Supply voltage: –0.3 to +18 V; (3)Clock input voltage: –15 to +16 V; (4)Voltage difference between vertical clock input pins: to +15 V; (5)Voltage difference between horizongal clock input pins: to +16 V; (6)Hφ1, Hφ2 – Vφ3: –16 to +16 V; (7)Hφ1, Hφ2 – GND: –10 to +15 V; (8)Hφ1, Hφ2 – φSUB: –55 to +10 V; (9)VL – φSUB: –65 to +0.3 V; (10)Vφ2, Vφ3 – VL: –0.3 to +27.5 V; (11)RG – GND: –0.3 to +20.5 V; (12)Vφ1, Hφ1, Hφ2, GND – VL: –0.3 to +17.5 V; (13)Storage temperature: –30 to +80 ℃; (14)Performance guarantee temperature: –10 to +60 ℃; (15)Operating temperature: –10 to +75 ℃.
Features
ICX424AQ features: (1)Progressive scan allows individual readout of the image signals from all pixels.; (2)High vertical resolution still images without a mechanical shutter; (3)Square pixel; (4)Supports VGA format; (5)Horizontal drive frequency: 24.54MHz; (6)No voltage adjustments (reset gate and substrate bias are not adjusted.); (7)R, G, B primary color mosaic filters on chip; (8)High resolution, high color reproductivity, high sensitivity, low dark current; (9)Continuous variable-speed shutter; (10)Low smear; (11)Excellent anti-blooming characteristics; (12)Horizontal register: 5.0V drive; (13)16-pin high precision plastic package (enables dual-surface standard).
Diagrams

| Image | Part No | Mfg | Description | ![]() |
Pricing (USD) |
Quantity | ||||
|---|---|---|---|---|---|---|---|---|---|---|
![]() |
![]() ICX424AQ |
![]() Other |
![]() |
![]() Data Sheet |
![]() Negotiable |
|
||||
| Image | Part No | Mfg | Description | ![]() |
Pricing (USD) |
Quantity | ||||
![]() |
![]() ICX404AK |
![]() Other |
![]() |
![]() Data Sheet |
![]() Negotiable |
|
||||
![]() |
![]() ICX404AL |
![]() Other |
![]() |
![]() Data Sheet |
![]() Negotiable |
|
||||
![]() |
![]() ICX405AK |
![]() Other |
![]() |
![]() Data Sheet |
![]() Negotiable |
|
||||
![]() |
![]() ICX409AL |
![]() Other |
![]() |
![]() Data Sheet |
![]() Negotiable |
|
||||
![]() |
![]() ICX412AQF |
![]() Other |
![]() |
![]() Data Sheet |
![]() Negotiable |
|
||||
![]() |
![]() ICX418AKB |
![]() Other |
![]() |
![]() Data Sheet |
![]() Negotiable |
|
||||
(China (Mainland))









