Product Summary
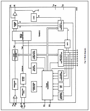
The TSA5512T is a single chip PLL frequency synthesizer designed for TV tuning systems. Control data is entered via the I2C-bus; five serial bytes are required to address the device, select the oscillator frequency, programme the eight output ports and set the charge-pump current. Four of these ports can also be used as input ports (three general purpose I/O ports, one ADC). Digital information concerning those ports can be read out of the TSA5512T on the SDA line (one status byte) during a READ operation. A flag is set when the loop is in-lock and is read during a READ operation. The TSA5512T has one fixed I2C-bus address and 3 programmable addresses, programmed by applying a specific voltage on Port 3. The phase comparator operates at 7.8125 kHz when a 4 MHz crystal is used. The applications of the TSA5512T include TV tuners and VCR Tuners.
Parametrics
TSA5512T absolute maximum ratings: (1)VCC, supply voltage: -0.3 to 6 V; (2)V1, charge-pump output voltage: -0.3 to VCC; (3)V2, crystal (Q1) input voltage: -0.3 to VCC; (4)V4, serial data input/output voltage: -0.3 to 6 V; (5)V5, serial clock input voltage: -0.3 to 6 V; (6)V6-13, P7 to P0 input/output voltage: -0.3 to +16 V; (7)V15, prescaler input voltage: -0.3 to VCC; (8)V18, drive output voltage: -0.3 to VCC; (9)I6-13, P7 to P0 output current (open collector): 115mA; (10)I4, SDA output current (open collector): 15 mA; (11)Tstg, IC storage temperature range: -40 +150℃; (12)Tj, maximum junction temperature: 150℃.
Features
TSA5512T features: (1)Complete 1.3 GHz single chip system; (2)Low power 5 V, 35 mA; (3)I2C-bus programming; (4)In-lock flag; (5)Varicap drive disable; (6)Low radiation; (7)Address selection for Picture-In-Picture (PIP), DBS tuner (3 addresses); (8)Analog-to-digital converter; (9)8 bus controlled ports (6 for TSA5512T), 8 open collector outputs (4 bidirectional); (10)Power-down flag.
Diagrams

![]() |
![]() TSA5055T |
![]() Other |
![]() |
![]() Data Sheet |
![]() Negotiable |
|
||||
![]() |
![]() TSA5059 |
![]() Other |
![]() |
![]() Data Sheet |
![]() Negotiable |
|
||||
![]() |
![]() TSA5059A |
![]() Other |
![]() |
![]() Data Sheet |
![]() Negotiable |
|
||||
![]() |
![]() TSA5059ATS/C1,118 |
![]() |
![]() IC SYNTH FREQ 2.7GHZ 16-SSOP |
![]() Data Sheet |
![]() Negotiable |
|
||||
![]() |
![]() TSA5060A |
![]() Other |
![]() |
![]() Data Sheet |
![]() Negotiable |
|
||||
![]() |
![]() TSA5060AT/C1,518 |
![]() |
![]() IC SYNTH FREQ 1.3GHZ 16-SOIC |
![]() Data Sheet |
![]() Negotiable |
|
||||
(China (Mainland))









