Product Summary
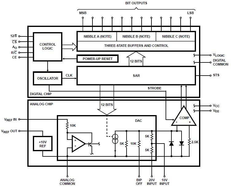
The HI1-574AKD is a complete 12-bit, analog-to-digital converter. It includes a +10V reference clock, three-state outputs and a digital interface for microprocessor control. It is suitable for military and industrial data acquisition systems, electronic test and scientific instrumentation, process control systems.
Parametrics
HI1-574AKD absolute maximum ratings: (1)Supply Voltage: VCC to Digital Common: 0V to +16.5V; VEE to Digital Common: 0V to -16.5V; VLOGIC to Digital Common: 0V to +7V; Analog Common to Digital Common: ±1V; (2)Control Inputs (CE, CS, AO, 12/8, R/C) to Digital Common: -0.5V to VLOGIC +0.5V; (3)Analog Inputs (REFIN, BIPOFF, 10VIN) to Analog Common: ±16.5V; 20VIN to Analog Common: ±24V; (4)REFOUT: Indefinite Short To Common, Momentary Short To VCC.
Features
HI1-574AKD features: (1)Complete 12-Bit A/D Converter with Reference and Clock; (2)Full 8-Bit, 12-Bit or 16-Bit Microprocessor Bus Interface; (3)Bus Access Time: 150ns; (4)No Missing Codes Over Temperature; (5)Minimal Setup Time for Control Signals; (6)Fast Conversion Times; (7)Low Noise, via Current-Mode Signal Transmission Between Chips; (8)Supply Voltage: ±2V to ±5V.
Diagrams

| Image | Part No | Mfg | Description | ![]() |
Pricing (USD) |
Quantity | ||||||||||||
|---|---|---|---|---|---|---|---|---|---|---|---|---|---|---|---|---|---|---|
![]() |
![]() HI1-574AKD-5 |
![]() Intersil |
![]() ADC (A/D Converters) ADC 12BIT 50KSPS 28S BDIP COM |
![]() Data Sheet |
![]()
|
|
||||||||||||
| Image | Part No | Mfg | Description | ![]() |
Pricing (USD) |
Quantity | ||||||||||||
![]() |
![]() HI1-0201-2 |
![]() Intersil |
![]() Analog Switch ICs SWITCH 4X SPST N C 16CDIP MIL |
![]() Data Sheet |
![]()
|
|
||||||||||||
![]() |
![]() HI1-0201-4 |
![]() |
![]() IC SWITCH QUAD SPST 16CDIP |
![]() Data Sheet |
![]() Negotiable |
|
||||||||||||
![]() |
![]() HI1-0201-5 |
![]() |
![]() IC SWITCH QUAD SPST 16CDIP |
![]() Data Sheet |
![]() Negotiable |
|
||||||||||||
![]() |
![]() HI1-0201HS/883B |
![]() Maxim Integrated Products |
![]() Analog Switch ICs Quad SPST CMOS Analog Switch |
![]() Data Sheet |
![]()
|
|
||||||||||||
![]() |
![]() HI1-0201HS-2 |
![]() Intersil |
![]() Analog Switch ICs SWITCH 4X SPST N C 16CDIP MIL |
![]() Data Sheet |
![]()
|
|
||||||||||||
![]() |
![]() HI1-0201HS-4 |
![]() |
![]() IC SWITCH QUAD SPST 16CDIP |
![]() Data Sheet |
![]() Negotiable |
|
||||||||||||
(China (Mainland))











