Product Summary
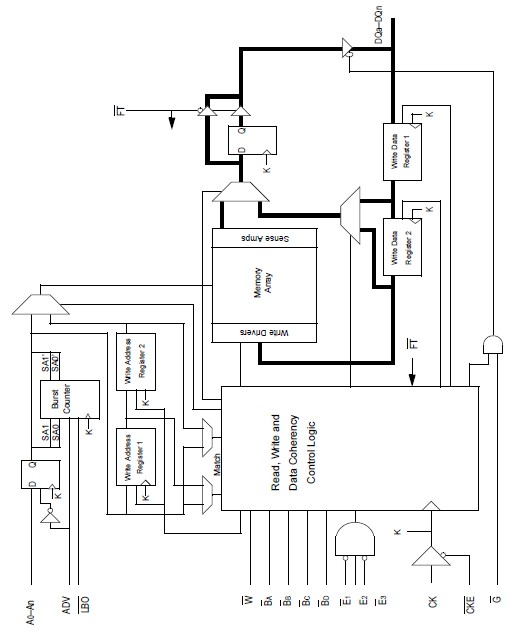
The GS8160Z36T-150 is an 18Mbit Synchronous Static SRAM. GSI’s NBT SRAMs, like ZBT, NtRAM, NoBL or other pipelined read/double late write or flow through read/single late write SRAMs, allow utilization of all available bus bandwidth by eliminating the need to insert deselect cycles when the GS8160Z36T-150 is switched from read to write cycles. Because it is a synchronous device, address, data inputs, and read/ write control inputs are captured on the rising edge of the input clock. The GS8160Z36T-150 may be configured by the user to operate in Pipeline or Flow Through mode. Operating as a pipelined synchronous device, meaning that in addition to the rising edge triggered registers that capture input signals, the device incorporates a rising-edge-triggered output register.
Parametrics
GS8160Z36T-150 absolute maximum ratings: (1)VDD Voltage on VDD Pins: –0.5 to 4.6 V; (2)VDDQ Voltage in VDDQ Pins: –0.5 to 4.6 V; (3)VI/O Voltage on I/O Pins: –0.5 to VDDQ +0.5 (≤ 4.6 V max.) V; (4)VIN Voltage on Other Input Pins: –0.5 to VDD +0.5 (≤ 4.6 V max.) V; (5)IIN Input Current on Any Pin: +/–20 mA; (6)IOUT Output Current on Any I/O Pin: +/–20 mA; (7)PD Package Power Dissipation: 1.5 W; (8)TSTG Storage Temperature: –55 to 125 ℃; (9)TBIAS Temperature Under Bias: –55 to 125 ℃.
Features
GS8160Z36T-150 features: (1)NBT (No Bus Turn Around) functionality allows zero wait read-write-read bus utilization; Fully pin-compatible with both pipelined and flow through NtRAM NoBL and ZBT SRAMs; (2)2.5 V or 3.3 V +10%/-10% core power supply; (3)2.5 V or 3.3 V I/O supply; (4)User-configurable Pipeline and Flow Through mode; (5)LBO pin for Linear or Interleave Burst mode; (6)Pin compatible with 2M, 4M, and 8M devices; (7)Byte write operation (9-bit Bytes); (8)3 chip enable signals for easy depth expansion; (9)ZZ Pin for automatic power-down; (10)JEDEC-standard 100-lead TQFP package; (11)Pb-Free 100-lead TQFP package available.
Diagrams

![]() |
![]() GS81032ATG |
![]() Other |
![]() |
![]() Data Sheet |
![]() Negotiable |
|
||||
![]() |
![]() GS810C |
![]() Other |
![]() |
![]() Data Sheet |
![]() Negotiable |
|
||||
![]() |
![]() GS8128418 |
![]() Other |
![]() |
![]() Data Sheet |
![]() Negotiable |
|
||||
![]() |
![]() GS8128418-xxxV |
![]() Other |
![]() |
![]() Data Sheet |
![]() Negotiable |
|
||||
![]() |
![]() GS8128436 |
![]() Other |
![]() |
![]() Data Sheet |
![]() Negotiable |
|
||||
![]() |
![]() GS8128436-xxxV |
![]() Other |
![]() |
![]() Data Sheet |
![]() Negotiable |
|
||||
(China (Mainland))








