Product Summary
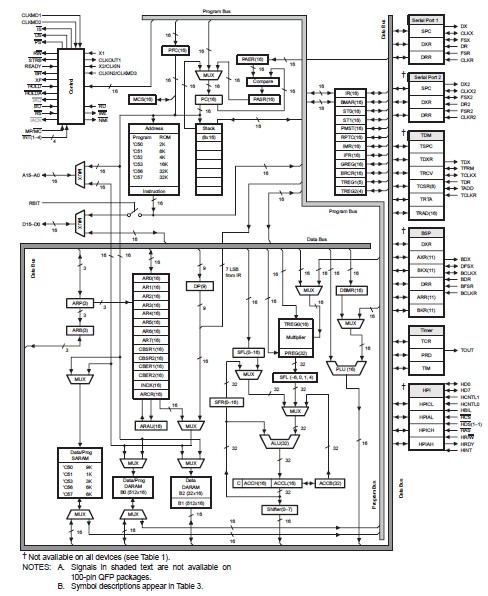
The TMS320C50PQA57 is a digital signal processor. It is fabricated with static CMOS integrated circuit technology; the architectural design is based upon that of an earlier TI DSP, the TMS320C50PQA57. The combination of advanced Harvard architecture, on-chip peripherals, on-chip memory, and a highly specialized instruction set is the basis of the operational flexibility and speed of the device. The TMS320C50PQA57 executes up to 50 million instructions per second (MIPS).
Parametrics
TMS320C50PQA57 absolute maximum ratings: (1)Supply voltage range, VDD: – 0.3 V to 7 V; (2)Input voltage range, V: – 0.3 V to 7 V; (3)Output voltage range, VO: – 0.3 V to 7 V; (4)Operating ambient temperature range, TA: –40℃ to 85℃; (5)Operating case temperature, TC: 0℃ to 85℃; (6)Storage temperature range, Tstg: – 55℃ to 150℃.
Features
TMS320C50PQA57 features: (1)Powerful 16-Bit TMS320C5x CPU; (2)20-, 25-, 35-, and 50-ns Single-Cycle Instruction Execution Time for 5-V Operation; (3)25-, 40-, and 50-ns Single-Cycle Instruction Execution Time for 3-V Operation; (4)Single-Cycle 16 × 16-Bit Multiply/Add; (5)224K × 16-Bit Maximum Addressable External Memory Space (64K Program, 64K Data, 64K I/O, and 32K Global); (6)2K, 4K, 8K, 16K, 32K × 16-Bit Single-Access On-Chip Program ROM; (7)1K, 3K, 6K, 9K × 16-Bit Single-Access On-Chip Program/Data RAM (SARAM); (8)1K Dual-Access On-Chip Program/Data RAM (DARAM); (9)Full-Duplex Synchronous Serial Port for Coder/Decoder Interface; (10)Time-Division-Multiplexed (TDM) Serial Port.
Diagrams

| Image | Part No | Mfg | Description | ![]() |
Pricing (USD) |
Quantity | ||||
|---|---|---|---|---|---|---|---|---|---|---|
![]() |
![]() TMS320C50PQA57 |
![]() Texas Instruments |
![]() Digital Signal Processors & Controllers (DSP, DSC) Digital Signal Proc |
![]() Data Sheet |
![]() Negotiable |
|
||||
| Image | Part No | Mfg | Description | ![]() |
Pricing (USD) |
Quantity | ||||
![]() |
![]() TMS3112 |
![]() Other |
![]() |
![]() Data Sheet |
![]() Negotiable |
|
||||
![]() |
![]() TMS3121 |
![]() Other |
![]() |
![]() Data Sheet |
![]() Negotiable |
|
||||
![]() |
![]() TMS320 |
![]() Other |
![]() |
![]() Data Sheet |
![]() Negotiable |
|
||||
![]() |
![]() TMS32010 |
![]() Other |
![]() |
![]() Data Sheet |
![]() Negotiable |
|
||||
![]() |
![]() TMS320AV7110 |
![]() Other |
![]() |
![]() Data Sheet |
![]() Negotiable |
|
||||
![]() |
![]() TMS320BC51PQ100 |
![]() Texas Instruments |
![]() Digital Signal Processors & Controllers (DSP, DSC) TMS320C51PQ - 132QFP - 100MHZ/BOOT CODE |
![]() Data Sheet |
![]() Negotiable |
|
||||
(China (Mainland))










