Product Summary
The OP50FY is a high-output-current operational amplifier. It eliminates the need for an output buffer in applications which requires high load-driving capability coupled with premium amplifier performance. The output stage of the OP50FY can drive ±50mA into 50Ω loads. In addition, the output is stable with capacitive loads of up to 10nF. This load driving ability makes the OP50FY ideal for amplifying small signals for transmission through long cables.
Parametrics
OP50FY absolute maximum ratings: (1)Suuply voltage: ±18V; (2)Input voltage: supply voltage; (3)Differential input voltage: ±10V; (4)Differential input current: ±20mA; (5)Output short-circuit duration: indefinite; (6)Storage temperature range: -65℃ to +150℃; (7)Operating temperature range: -25℃ to +85℃; (8)Lead temperature: 300℃; (9)Junction temperature(Tj): -65℃ to +150℃.
Features
OP50FY features: (1)Open-loop gain: 10000000V/V min; (2)Low input offset voltage: 25μV max; (3)Low input bias current: 5nA max; (4)Excellent TCVos: 0.3μV/℃ max; (5)High CMRR: 126dB min; (6)High PSAR: 126dB min; (7)Low noise: 5.5nV/√Hz @ f=10Hz; (8)High output current: ±50mA; (9)Drives capacitive loads up to 10nF; (10)On-board thermal shutdown circuit; (11)Available in die form.
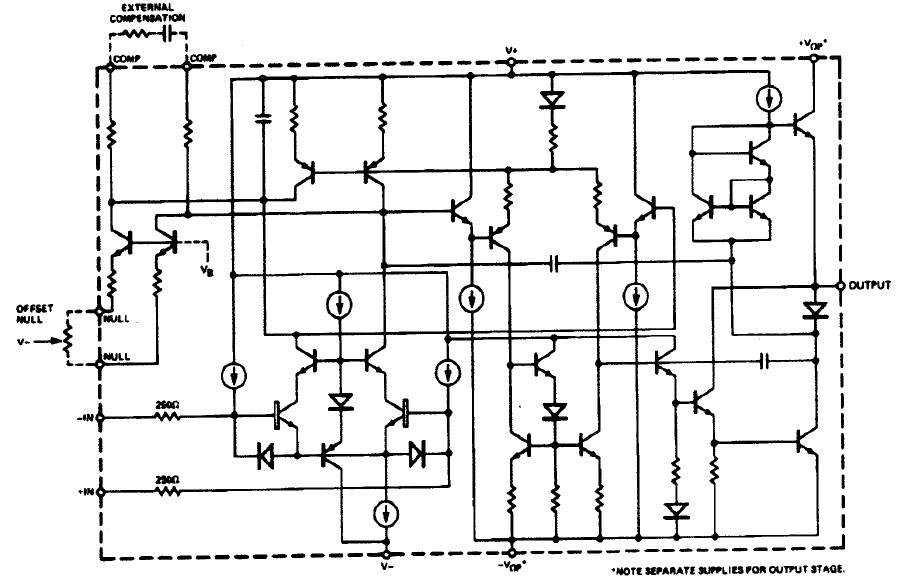
Diagrams

![]() |
![]() OP500 |
![]() Optek |
![]() Photodetector Transistors Phototransistor |
![]() Data Sheet |
![]()
|
|
||||||||||||
![]() |
![]() OP500DA |
![]() Optek |
![]() Photodetector Transistors Photo Darlington |
![]() Data Sheet |
![]()
|
|
||||||||||||
![]() |
![]() OP501 |
![]() Optek |
![]() Photodetector Transistors PHOTOSENSOR |
![]() Data Sheet |
![]()
|
|
||||||||||||
![]() |
![]() OP501DA |
![]() Optek |
![]() Photodetector Transistors Photo Darlington |
![]() Data Sheet |
![]()
|
|
||||||||||||
![]() |
![]() OP505A |
![]() Optek |
![]() Photodetector Transistors PHOTOSENSOR |
![]() Data Sheet |
![]()
|
|
||||||||||||
![]() |
![]() OP505B |
![]() Optek |
![]() Photodetector Transistors Narrow Rcvng Angle 935nm |
![]() Data Sheet |
![]()
|
|
||||||||||||
(China (Mainland))








