Product Summary
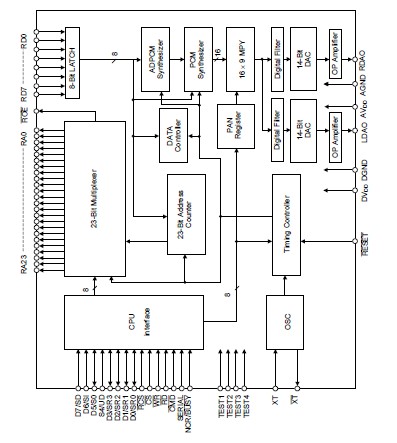
The MSM9810B is an 8-channel mixing voice synthesis LSI, to which up to 128 Mbits of ROM and/or EPROM storing voice data can directly be connected externally. The MSM9810B is straight 8-bit PCM playback, non-linear 8-bit PCM playback, 4-bit ADPCM playback, and 4-bit ADPCM2 playback selectable and provides 2-channel stereo output and volume control. The MSM9810B contains a 14-bit D/A converter and LPF. The device can easily configure a system by connecting voice data storage memory, power amplifier, and CPU externally.
Parametrics
MSM9810B absolute maximum ratings: (1)Power Supply Voltage VDD: –0.3 to +7.0 V; (2)Input Voltage VIN: –0.3 to VDD+ 0.3 V; (3)Storage Temperature TSTG: –55 to +150 ℃.
Features
MSM9810B features: (1)Non-linear 8-bit PCM/straight 8-bit PCM/4-bit ADPCM/4-bit ADPCM2; (2)Serial input or parallel input selectable; (3)Phrase Control Table function; (4)8-channel mixing function; (5)Master clock frequency: 4.096 MHz; (6)Sampling frequency: 4.0 kHz, 5.3 kHz, 6.4 kHz, 8.0 kHz, 10.6kHz, 12.8 kHz, 16.0 kHz, 21.2 kHz, 25.6 kHz, 32.0 kHz; (7)Maximum number of phrases: 256; (8)Output channel: L/R 2 channels; (9)Built-in volume control function (for each output channel); (10)Built-in 14-bit D/A converter; (11)Built-in low-pass filter: Digital filter; (12)Package: 64-pin plastic QFP (QFP64-P-1414-0.80-BK) (MSM9810BGS-BK).
Diagrams

![]() |
![]() MSM9000B-xx |
![]() Other |
![]() |
![]() Data Sheet |
![]() Negotiable |
|
||||
![]() |
![]() MSM9004-03 |
![]() Other |
![]() |
![]() Data Sheet |
![]() Negotiable |
|
||||
![]() |
![]() MSM9004-04 |
![]() Other |
![]() |
![]() Data Sheet |
![]() Negotiable |
|
||||
![]() |
![]() MSM9005-01GS-BK-7 |
![]() Oki Semiconductor |
![]() LCD Drivers 65-Dot Seg 8-Dot Com LCD Dot Matrix Cont |
![]() Data Sheet |
![]() Negotiable |
|
||||
![]() |
![]() MSM9005-xx |
![]() Other |
![]() |
![]() Data Sheet |
![]() Negotiable |
|
||||
![]() |
![]() MSM9006-01 |
![]() Other |
![]() |
![]() Data Sheet |
![]() Negotiable |
|
||||
(China (Mainland))








