Product Summary
The LM711J/883 is a dual differential voltage comparator featuring high accuracy, fast response times, large input voltage range, low power consumption and compatibility with practically all integrated logic forms. When the LM711J/883 is used as a sense amplifier, the threshold voltage can be adjusted over a wide range, almost independent of the integrated circuit haracteristics. Independent strobing of each comparator channel is provided, and pulse stretching on the output is easily accomplished. Other applications of the dual comparator include a window discriminator in pulse height detectors and a double ended limit detector for automatic Go-No-Go test equipment.
Parametrics
LM711J/883 absolute maximum ratings: (1)Storage Temperature Range: -65 to 175℃; (2)Operating Temperature Range: -55 to 125℃; (3)Lead Temperature (Soldering, 60 seconds): 300℃; (4)Internal Power Dissipation, Can 350mW; DIP 400mW; Flatpack 330mW; (5)Positive Supply Voltage: 14V; (6)Negative Supply Voltage: -7V; (7)Peak Output Current: 50mA; (8)Differential Input Voltage: +5V; (9)Input Voltage: +7V; (10)Strobe Voltage: 0V to 6V; (11)Short Circuit Duration: 10s.
Features
LM711J/883 features: (1)Fast Response Time; (2)Low Offset Voltage; (3)Low Offset Current; (4)Independent Comparator Strobing.
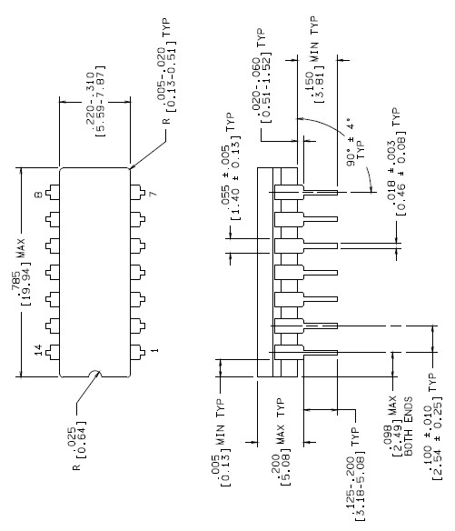
Diagrams

![]() |
![]() LM711AMW_883 |
![]() Other |
![]() |
![]() Data Sheet |
![]() Negotiable |
|
||||||||||||
![]() |
![]() LM7121 |
![]() Other |
![]() |
![]() Data Sheet |
![]() Negotiable |
|
||||||||||||
![]() |
![]() LM7121IM |
![]() National Semiconductor (TI) |
![]() Operational Amplifiers - Op Amps |
![]() Data Sheet |
![]()
|
|
||||||||||||
![]() |
![]() LM7121IM/NOPB |
![]() National Semiconductor (TI) |
![]() Operational Amplifiers - Op Amps Low Pwr Vltg FB Amp |
![]() Data Sheet |
![]()
|
|
||||||||||||
![]() |
![]() LM7121IMX |
![]() National Semiconductor (TI) |
![]() Operational Amplifiers - Op Amps |
![]() Data Sheet |
![]()
|
|
||||||||||||
![]() |
![]() LM7121IMX/NOPB |
![]() National Semiconductor (TI) |
![]() Operational Amplifiers - Op Amps |
![]() Data Sheet |
![]()
|
|
||||||||||||
(China (Mainland))









